
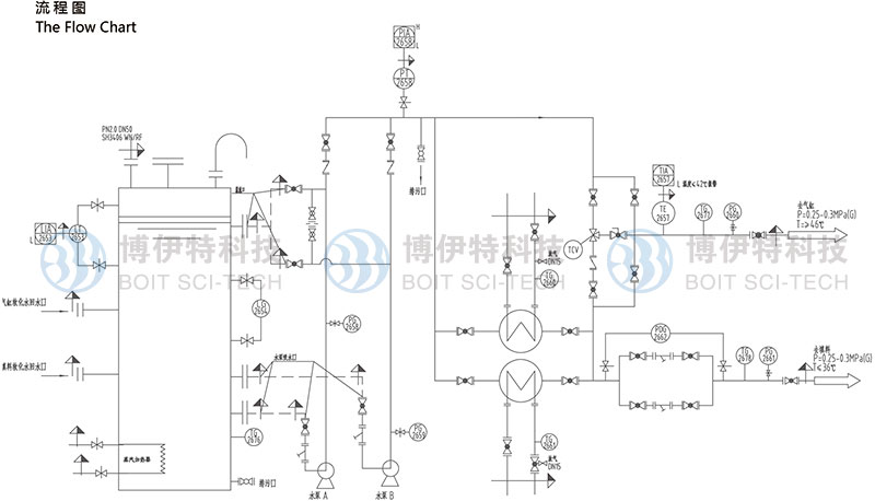
水冷卻沖洗系統由水站、電氣控制等部分組成,其作用是為主機提供清潔、壓力穩實、流量穩定的清潔水。水冷卻沖洗系統核心是水站,主要由水箱、水泵、冷卻器、過濾器、控制儀表和閥門管道組成。
我們根據成套設備制造的要求,為客戶提供符合API618的標準產品設計,制造和測試;每套水冷卻沖洗系統的部件都經過嚴格檢測并組裝成套,出廠前進行嚴格的測試以確保其達到設計要求。


水冷卻沖洗系統由水站、電氣控制等部分組成,其作用是為主機提供清潔、壓力穩實、流量穩定的清潔水。水冷卻沖洗系統核心是水站,主要由水箱、水泵、冷卻器、過濾器、控制儀表和閥門管道組成。
我們根據成套設備制造的要求,為客戶提供符合API618的標準產品設計,制造和測試;每套水冷卻沖洗系統的部件都經過嚴格檢測并組裝成套,出廠前進行嚴格的測試以確保其達到設計要求。
